🛩️挑战信息
- 难度级别
- 小有挑战
- 最大允许
- B 类飞机(进近速度分类)
- 适合机型
- 高档私人飞机、小型客机/货机、中型客机/货机
- 当地常客
-
DO-228、私人飞机
🥵难点灾害
🌏示例航线(飞行约30分钟)
- 起飞
- RJNS / FSZ
- 离场
- 无程序
- 线路
- SZE Y295 KOSKA
- 目的
- RJTF
- 进场
- 无程序
- 进近
- RNP 35 via KOSKA
- 长度
- 约 100 海里
- 巡航
- 7000ft+
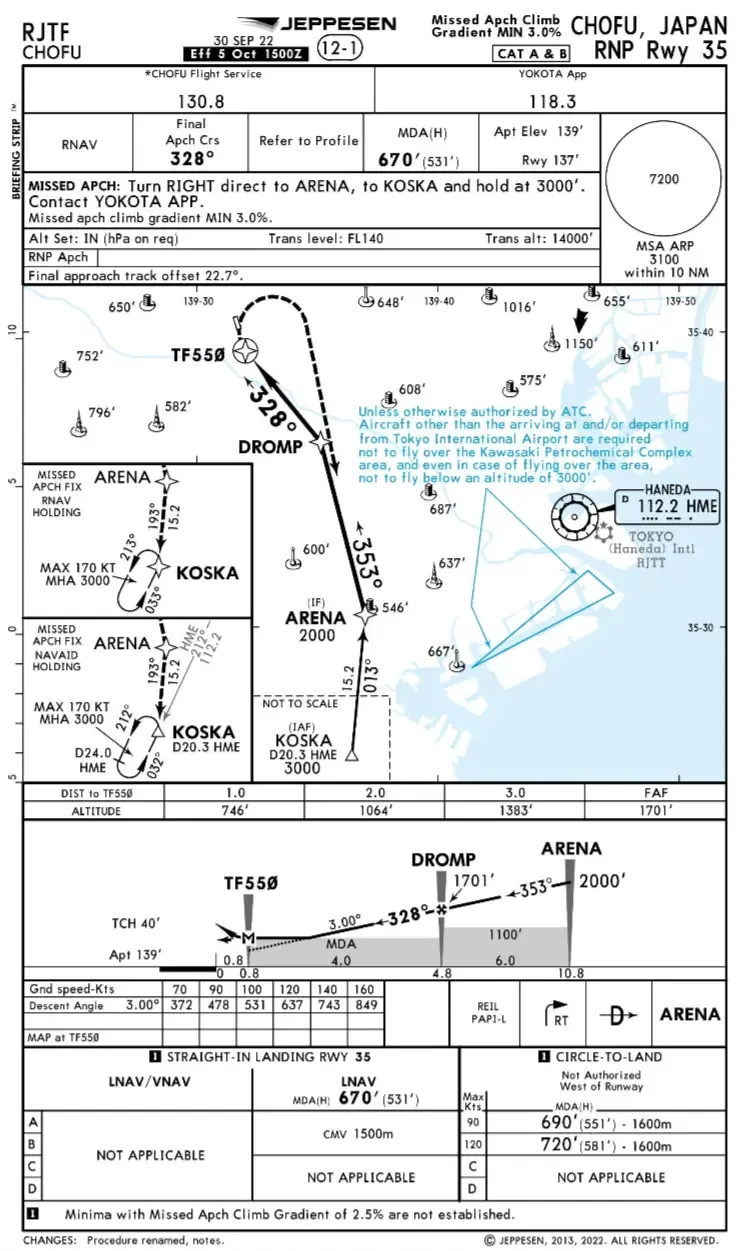
🗺️进近说明 & 航图
RNP 目视进近 RNP Visual Approach
- 飞行电脑内可选择对应的 RNAV 进近程序;
- 虽然该进近类型的导航精度很高,但所选择的这个进近方式并没有对准跑道,故最终进近阶段需要目视手操;
- 该进近方式仅用于定位机场。
航图 & 解说
- 可以利用该进近方式降落对向的
17 跑道; - 该航图与程序没有定义严格的垂直引导,请按航图自主控制高度;
- 经过
ARENA航点后,根据指引飞行,直到TF550; - 到达
TF550之前,断开自动驾驶,目视手操。
目视参考
- 在
ARENA航路点,可以见到 日产大球场(红色)和 横滨竞技场(黄色)。
- 在 调布机场 的西南端,与机场相邻,可见 味之素大球场:可利用该球场作为寻找机场的目视参考。
🧩本机场周边的免费景观插件
以下免费插件可以强化机场周边的景观:
微软2024
第一方推出的免费插件:
世界更新#1(游戏本体已自带,无需额外操作)
世界更新#20(需要在市场内免费获取)
微软2020
第一方推出的免费插件:
世界更新#1(需要在市场内免费下载)
世界更新#20(需要在市场内免费下载)



